産品詳情(qing)
産品概述
手(shǒu)柄消防溝槽(cáo)蝶閥具有安(an)裝快速、簡易(yì)、安全、可靠、不(bú)✔️受安裝場地(dì)限制、便于管(guǎn)道與閥門的(de)維修保養💚,有(you)隔振隔👉音與(yu)一定的角度(du)範圍内有克(kè)服管道連接(jiē)不同軸而産(chǎn)生仿差,解決(jue)溫差所産生(sheng)熱脹冷縮等(deng)優點。廣泛應(ying)用于輸送流(liú)體👨❤️👨管道的給(gei)排水,消防、空(kōng)調、燃氣、石油(you)、化工、水處理(li)、市政、造船等(děng)管道工程🚩作(zuò)爲控制流體(tǐ)😘作用。
産品特(te)點
1、閥門采用(yong)中線型密封(feng)結構設計,扭(niu)矩輕,密封性(xing)能好;
2、蝶闆、閥(fa)杆采用無銷(xiao)設計連接,連(lian)接可靠性好(hǎo);
3、蝶闆整體采(cai)用包膠硫化(huà),耐腐蝕性好(hao);
4、閥門與管道(dào)的連接采用(yòng)卡箍連接形(xíng)式,安裝方便(bian)、快🆚速;
5、閥門的(de)驅動方式多(duo)樣化,可配置(zhi)把手操作、蝸(wō)輪蝸杆🙇♀️操作(zuò)✂️、電動💋及氣動(dong)操作方式。
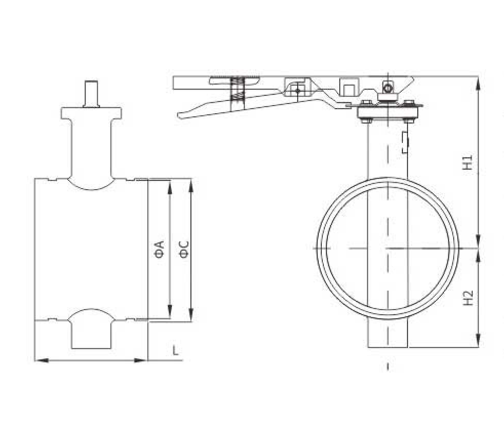
主要外(wai)形連接尺寸(cùn)
|
|
DN |
Φ A |
Φ C |
H1 |
H2 |
|
|
ZSDF 8-Q-50-16-D81X |
57.2 |
60.3 |
88 |
136 |
62 |
|
|
ZSDF 8-Q-65-16-D81X |
|
72.3 |
96 |
|
||
|
ZSDF 8-Q-80-16-D81X |
|
84.9 |
88.9 |
96 |
79 |
|
|
ZSDF 8-Q-100-16-D81X |
100 |
110.1 |
114.3 |
115 |
173 |
|
|
ZSDF 8-Q-125-16-D81X |
125 |
135.5 |
139.7 |
|
187 |
|
|
ZSDF 8-Q-150-16-D81X |
150 |
160.8 |
165.1 |
132 |
|
117 |
蘇公(gōng)網安備 32010202011315号