囗交🚩大图片26交㊙️ 節能消🚩聲㊙️止回閥🚩_技術交流_南京博㊙️高㊙️閥㊙️門有🚩限公司-水力控㊙️制閥系列-消防㊙️閥門系🚩列-樓宇🚩暖通閥門系列㊙️-電動、氣動閥門🚩系列
 搜索
 025-85601227  網(wang)站地圖  手機訪(fǎng)問
新聞中心

當前(qian)位置: 首頁 > 新聞(wen)中心 > 技術交流(liú)

節能消聲止回(huí)閥

發布時間:2025-11-30


産品型(xing)号:H41X

公稱壓力:PN1.0~1.6MPa

公(gōng)稱通經:DN40~600mm

适囗交大图片2🚩6交㊙️用介(jiè)質:水及弱腐蝕(shi)性流體

适用溫(wen)度:0~80℃

法蘭标準:GB/T 17241.6、GB/T 9113

試(shì)驗标準:GB/T 13927、API 598




産品概(gài)述


結構特點

1、閥體(tǐ)内腔采用流線(xian)型設計,流量按(an)标準設計,減少(shao)急👅彎📱、拐角、尖凸(tu),從而減少流體(tǐ)的阻力。

2、閥瓣前(qián)後設計爲錐形(xíng),使流體阻力大(dà)大減少,又減少(shǎo)了因紊流所産(chǎn)生的噪聲。

3、閥瓣(ban)關閉的行程短(duan),隻有公稱通徑(jing)的1/4,減少了閥瓣(ban)的關閉時間🍓,減(jian)少了水錘的産(chǎn)生。

4、閥使用彈簧(huang)加速閥瓣關閉(bi)速度、降低水錘(chui)産生。

5、閥瓣爲空(kong)心薄殼結構,減(jiǎn)少閥瓣的慣性(xìng),不但使閥瓣關(guān)閉時能迅速啓(qi)動,也減少了關(guan)閉時的沖擊噪(zào)聲。

6、本産品可以(yi)垂直、水平、傾斜(xié)以及任何角度(du)安裝。

7、本産品結(jié)構緊湊、零件少(shǎo)、體積少、重量輕(qīng)、外型美觀。

8、内外(wai)表面均噴塗環(huan)保塗層,确保産(chan)品的防腐蝕及(ji)🏃‍♂️安全性。


主要性(xìng)能規範

型 号 公(gong)稱壓力 殼體試(shì)驗壓力 密封試(shi)驗壓力 适用介(jie)質 工作溫度
H41X一(yī)10 1.0MPa 1.5 MPa 1.1 MPa 水及弱腐蝕性(xìng)流體 0~80℃
H41X一16 2.4 MPa 1.76 MPa 水及弱(ruò)腐蝕性流體


型(xíng) 号 閥  體 密封口(kǒu) 彈簧
鑄鐵或不(bú)鏽鋼 丁腈橡膠(jiao)(NBR) 不鏽鋼絲ICrl8Ni9Ti
H41X-16 鑄鋼(gāng)或不鏽鋼 丁腈(jīng)橡膠(NBR) 不鏽鋼絲(sī)IC rl8Ni9Ti



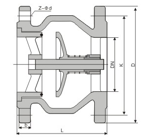
主要外形連接(jie)尺寸

公稱壓力(li) 公稱通徑 尺  寸(cùn)(mm)
L D K b Z一Φd
40 112 145 110 18 4-18
50 120 160 125 20 4-18
65 130 180 145 20 4-18
80 150 195 160 22 8-18
100 165 215 80 24 8-18
125 190 245 210 26 8-18
150 210 280 240 26 8-22
200 255 335 295 28 8-22
250 310 390 350 28
380 460 30 16-22
400 405 565 515 32 16-26
430 615 565 32 20-26
500 670 620 34 20-26
1.6 40 112 145 110 18 4-18
50 120 160 125 20 4-18
65 130 180 145 20 4-18
80 150 195 160 22 8-18
100 215 180 24 8-18
125 190 245 210 26 8-18
150 210 280 240 26 8-22
200 255 335 295 30 11-30
250 310 405 32 11-30
300 460 410 32 11-30
350 380 520 470 36 16-26
400 405 580 525 38 16-30
450 430 640 585 40 20-30
500 450 715 650 42 20-33
510 840 770 48 20-36



上一篇:橡膠瓣止回(hui)閥
下一篇:高速複(fu)合式排氣閥
返(fǎn)回列表

随便看(kan)看

産(chǎn)品推薦

遙控浮球(qiu)閥

遙控浮球閥(fá)

可調式減壓閥(fa)

可調式減壓閥(fá)

緩閉式止回閥(fá)
流(liu)量控制閥

流量(liang)控制閥

洩壓、持壓(yā)閥

洩壓、持壓閥(fá)


地址:江蘇省南(nan)京市玄武區紅(hong)山路88号3-414室
手機(ji):13913847330
E-mail:[email protected]
網址:http://dj33.cc
友情鏈接: 百度(dù) 三精閥門 上海(hai)滬工閥門 良工(gong)閥門 上海良工(gōng)閥門
Copyright © 2022-2023 南京博高(gao)閥門有限公司(si) 版權所有     京ICP證(zheng)000000号   蘇公網安備(bèi) 32010202011315号  
網站建設: 豐(feng)盛科技    
咨詢在(zài)線客服

添(tian)加微信

总 公 司 急 速 版 WAP 站 H5 版 无线端 AI 智能 3G 站 4G 站 5G 站 廣東分公司 甘肅分公司 青海分公司 貴州分公司 新疆分公司 河北分公司 湖南分公司 海南分公司 遼寧分公司 江蘇分公司 內蒙古分公司 黑龍江分公司 吉林分公司 廣西分公司 福建分公司 湖北分公司 寧夏分公司 安徽分公司 江西分公司 山東分公司 浙江分公司 山西分公司 陜西分公司 雲南分公司 四川分公司 河南分公司 西藏分公司
  
·
·